Tatra 805 valník
-
Luboš.T
- Pravidelný diskutujúci
- Príspevky: 157
- Dátum registrácie: 23 Sep 2005, 21:34
- Kontaktovať užívateľa:
Re: Tatra 805 valník
Velké díky. Takhle rychle jsem to ani nečekal
, hned zítra se začnou točit kola soustruhu.
-
Luboš.T
- Pravidelný diskutujúci
- Príspevky: 157
- Dátum registrácie: 23 Sep 2005, 21:34
- Kontaktovať užívateľa:
Re: Tatra 805 valník
Uchycení ukazatelů směru. V katakogu ND pro valník mají ukazatele připevněny přes plech ve tvaru U.
- PAVEL64
- Pravidelný diskutujúci
- Príspevky: 283
- Dátum registrácie: 14 Feb 2008, 15:10
- Kontaktovať užívateľa:
Re: Tatra 805 valník
Žádné kola soustruhu neroztáčej ale spíše zaplať" kapitalistovi"
http://www.tatra-805.cz/fotky/sklad/tatra%20149.jpg
http://www.tatra-805.cz/index.php?od=50
http://www.tatra-805.cz/fotky/sklad/tatra%20149.jpg
http://www.tatra-805.cz/index.php?od=50
-
Luboš.T
- Pravidelný diskutujúci
- Príspevky: 157
- Dátum registrácie: 23 Sep 2005, 21:34
- Kontaktovať užívateľa:
Re: Tatra 805 valník
Já bych i zaplatil, ale je prodaný
, navíc už mámhotovo, jen ohnout rukojeť.
- Jerry
- Pravidelný diskutujúci
- Príspevky: 1607
- Dátum registrácie: 17 Aug 2006, 07:29
- Tatry, ktoré vlastním: Tatra 613-3 r.v. 1988
Tatra 805 r.v. 1957 - Bydlisko: Rožmitál pod Třemšínem
- Kontaktovať užívateľa:
Re: Tatra 805 valník
Tak to je parádní práce. 
- bazilisak
- Pravidelný diskutujúci
- Príspevky: 897
- Dátum registrácie: 09 Jan 2008, 00:25
- Kontaktovať užívateľa:
Re: Tatra 805 valník
To je hezké ........ Ještě tak zbytek k tomu - auto ................
- PAVEL64
- Pravidelný diskutujúci
- Príspevky: 283
- Dátum registrácie: 14 Feb 2008, 15:10
- Kontaktovať užívateľa:
Re: Tatra 805 valník
Nechci být nějaký prudič- výrobek hezký, ale nemusí to mít taky nějakou pevnost a ne to vyrobit ze sýra??Nevím nejsem odborník- jenom se ptám...
-
Luboš.T
- Pravidelný diskutujúci
- Príspevky: 157
- Dátum registrácie: 23 Sep 2005, 21:34
- Kontaktovať užívateľa:
Re: Tatra 805 valník
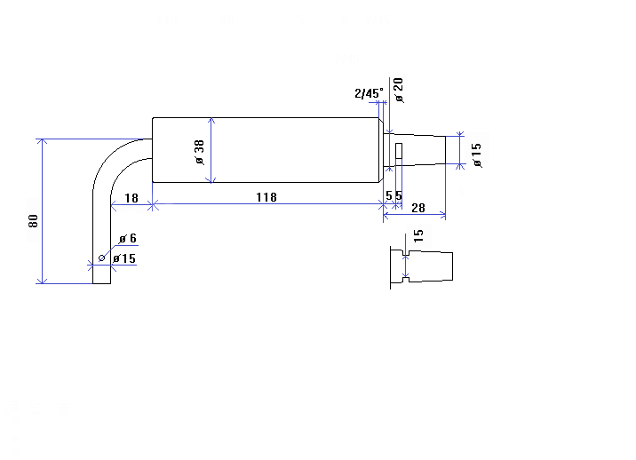
Taky nejsem odborník přes materiály. Vzal jsem kus kulatiny co jsem doma našel o už se točila. Stejně bych nezjistil co je to za materiál. Ono to bude mít při tom průměru pevnost dostatečnou. Navíc když je čep určený především u tahání auta. Myslím si, že kdyby jsi chtěl přední závěs použít na nějakou "bejkárnu" tak dřív narazíš na adhezní přilnavost pneumatik, prokluz spojky, výkon motoru, mez pevnosti předního nárazníku na ohyb a až potom se ti podaří čep střihnout. Ale možná se pletu.
- ondrej
- Pravidelný diskutujúci
- Príspevky: 3867
- Dátum registrácie: 29 Máj 2004, 11:05
- Kontaktovať užívateľa:
Re: Tatra 805 valník
Ešte zraziť hrany, aby sa to lepšie nasadzovalo. Nakoľko sa tu nejedná o rotačne namáhanú súčiastku, absencia zápichov sa dá prehliadnuť.Luboš.T napísal:Taky nejsem odborník přes materiály. Vzal jsem kus kulatiny co jsem doma našel o už se točila. Stejně bych nezjistil co je to za materiál. Ono to bude mít při tom průměru pevnost dostatečnou. Navíc když je čep určený především u tahání auta. Myslím si, že kdyby jsi chtěl přední závěs použít na nějakou "bejkárnu" tak dřív narazíš na adhezní přilnavost pneumatik, prokluz spojky, výkon motoru, mez pevnosti předního nárazníku na ohyb a až potom se ti podaří čep střihnout. Ale možná se pletu.
U pôvodného dielu ide myslím o zvarenec, tam by som predpokladal oceľ s pevnosťou 500 MPa, najskôr 11 523. Ak je to vyrábané takým nehospodárnym spôsobom, ako sústružením z jedného kusa, tam by som použil asi 11 600, alebo lepšiu. Podľa hladkosti obrobeného povrchu - pokiaľ sa to dá z obr. posúdiť - sa dá predpokladať použitie takéhoto, alebo podobného materiálu.
Inak používanie predného závesu u T-805 sa dá predpokladať iba veľmi sporadicky, takže nejakému namáhaniu vystavený nebude - a nie je to záves pre KOLOS...
- Luboš
- Pravidelný diskutujúci
- Príspevky: 6491
- Dátum registrácie: 27 Máj 2004, 11:30
- Tatry, ktoré vlastním: :::::::::::::::::::::::::
1953 - T805
1975 - T2-603
1977 - T613
1981 - T613-2
1982 - T613-2
1987 - T613-3
1991 - T613-3
1991 - T613-4 - Bydlisko: ČR
- Kontaktovať užívateľa:
Re: Tatra 805 valník
Přední notek zatím nemám, ale spíš koukám po novém - nebyl by k tomu i přepínač?
Tatru jsem včera opět kousek projel, k řazení hlavní převodovky už výhrady nemám, to je skutečně jenom o zvyku, ale může mi někdo poradit, jak spolehlivě řadit předek? Je pravda, že to auto v posledních letech moc nejezdilo a že s jeho řazením byly problémy, to mi potvrdili i dva místní pamětníci, co s kačenou jezdili ještě na vojně, ale přece na to musí být nějaký fígl?
Tatru jsem včera opět kousek projel, k řazení hlavní převodovky už výhrady nemám, to je skutečně jenom o zvyku, ale může mi někdo poradit, jak spolehlivě řadit předek? Je pravda, že to auto v posledních letech moc nejezdilo a že s jeho řazením byly problémy, to mi potvrdili i dva místní pamětníci, co s kačenou jezdili ještě na vojně, ale přece na to musí být nějaký fígl?
Re: Tatra 805 valník
prepinac nemam,iba komplet notek s drziakom.
- PAVEL64
- Pravidelný diskutujúci
- Príspevky: 283
- Dátum registrácie: 14 Feb 2008, 15:10
- Kontaktovať užívateľa:
Re: Tatra 805 valník
"Slimaku"-člověče čteš emaily?? 
Re: Tatra 805 valník
Pavel 64,ty si nejaky naruseny,ta odpoved bola urcena Lubosovi!!!Email,ano teraz som ho precital,tak neviem co si taky podrazdeny.
- PAVEL64
- Pravidelný diskutujúci
- Príspevky: 283
- Dátum registrácie: 14 Feb 2008, 15:10
- Kontaktovať užívateľa:
Re: Tatra 805 valník
Nenadávej mi ,mohl jsi mi slušně odpovědět na email...když jsem ti napsal na email...čekal jsem na odpověď a nic...to se tak většinou dělá, že se odpoví, když se někdo na něco ptá....nebo u Vás to není zvykem?? 
- Jerry
- Pravidelný diskutujúci
- Príspevky: 1607
- Dátum registrácie: 17 Aug 2006, 07:29
- Tatry, ktoré vlastním: Tatra 613-3 r.v. 1988
Tatra 805 r.v. 1957 - Bydlisko: Rožmitál pod Třemšínem
- Kontaktovať užívateľa:
Re: Tatra 805 valník
A jak se to projevuje, to nejde zařadit, nebo naopak přední náhon v záběru, nebo uvolnění ze záběru vyskočí?Luboš napísal:...může mi někdo poradit, jak spolehlivě řadit předek? Je pravda, že to auto v posledních letech moc nejezdilo a že s jeho řazením byly problémy...
Na mym autě šly páky ztuha, tak sem uložení na převovovce několikrát prolil konkorem a rozhejbal, pak sem do škvír napral silikonovou nazelínu a páky mi jdou lehce... Spojovací kloubky jsou bez vůlí? Rozepiš se o tom problému víc, takhle Ti může poradit akorát věštec a nebo člověk co s tim autem jezdil a ví co tomu je.
- bazilisak
- Pravidelný diskutujúci
- Príspevky: 897
- Dátum registrácie: 09 Jan 2008, 00:25
- Kontaktovať užívateľa:
Re: Tatra 805 valník
Předpokládám, že jde ztuha zařadit a nelze vyřadit. Po možném promazání , doporučuju řadit za jízdy směrem dopředu, bez prokluzu zadních kol, vyřadit pouze při rozjezdu na zpátečku, za stálého působení síly na páku ( během toho rozjezdu).
- Luboš
- Pravidelný diskutujúci
- Príspevky: 6491
- Dátum registrácie: 27 Máj 2004, 11:30
- Tatry, ktoré vlastním: :::::::::::::::::::::::::
1953 - T805
1975 - T2-603
1977 - T613
1981 - T613-2
1982 - T613-2
1987 - T613-3
1991 - T613-3
1991 - T613-4 - Bydlisko: ČR
- Kontaktovať užívateľa:
Re: Tatra 805 valník
Předek nejde zařadit - pákou nejde pohnout dopředu. Když jsem auto kupoval, tak se vyskytoval stejný problém, pomohlo poklepání táhel a rozhýbání, ale i potom šla páka předku znatelně nejtíž ze všech, vždy se ale už pak zařadilo. S vypadáváním ani při vyřazování už taky nebyl problém. Zkusím to ještě více promazat a uvidíme. Jak jsem pochopil, tak lepší je tedy řazení předku za jízdy?
Mimochodem, už jsem vyzkoušel i kompresor a funguje skvěle!
Mimochodem, už jsem vyzkoušel i kompresor a funguje skvěle!
- bazilisak
- Pravidelný diskutujúci
- Príspevky: 897
- Dátum registrácie: 09 Jan 2008, 00:25
- Kontaktovať užívateľa:
Re: Tatra 805 valník
Tak znovu přečti, co jsem psal. Předek nejde vyřadit. Předek se ZAŘAZUJE DOZADU !!! Vyřazuje dopředu - ideálně na zpátečku, táhnout páku dopředu při rozjezdu na zpátečku. ZAŘADIT DOZADU , nejlépe při jízdě, bez prokluzu kol, tzn, nehrabat a zařadit.Luboš napísal:Předek nejde zařadit - pákou nejde pohnout dopředu. Když jsem auto kupoval, tak se vyskytoval stejný problém, pomohlo poklepání táhel a rozhýbání, ale i potom šla páka předku znatelně nejtíž ze všech, vždy se ale už pak zařadilo. S vypadáváním ani při vyřazování už taky nebyl problém. Zkusím to ještě více promazat a uvidíme. Jak jsem pochopil, tak lepší je tedy řazení předku za jízdy?
Mimochodem, už jsem vyzkoušel i kompresor a funguje skvěle!
Jinak při terénním převodu ( páka u tunelu dozadu ) se zařazuje automaticky přední pohon ( páky jdou zaráz)
Kto je prítomný
Užívatelia prezerajúci toto fórum: Žiadny pripojení užívatelia a 24 neregistrovaných